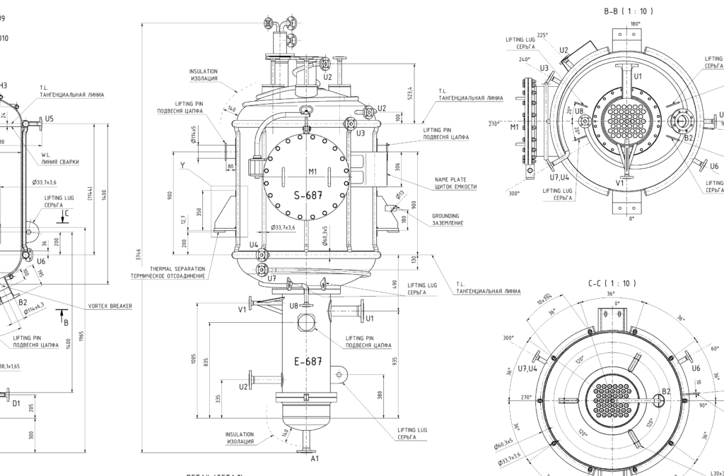
Výparník E687 a odlučovač S687 2016, Rusko Základní informace Rok: 2016 Realizace: AO Azot, Novomoskovsk, Rusko Galerie Technologická ocelová konstrukce kotle Potrubí odprášení